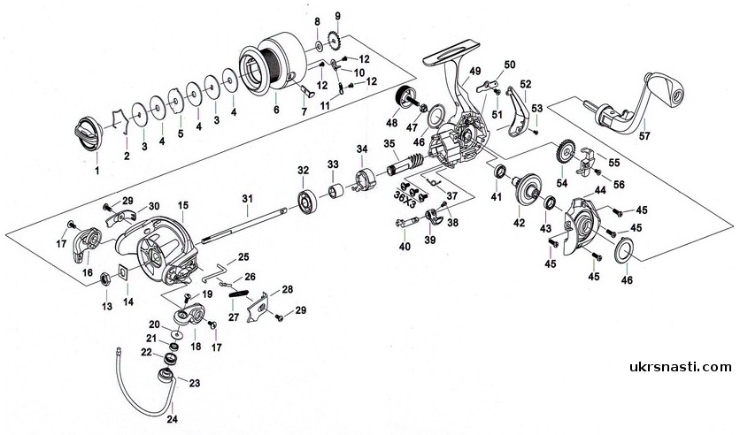
Серия мощных катушек для оснащения фидерных удилищ. Катушки характеризуются хорошей намоткой плетёного шнура на шпулю, хорошим качеством сборки, небольшим весом, балансировкой и приятной ценой.
Особенности:
- Передний фрикционный тормоз
- Корпус и ротор из карбопласта
- 4 шариковых и 1 роликовый подшипники
- Мгновенный стопор обратного хода (антиреверс)
- Нижний флажковый выключатель антиреверса)
- Качественный механизм привода из латуни и бронзы
- Облегченная алюминиевая шпуля
- Конусный ролик лесоукладывателя, увеличенный
- Обработанная механически алюминиевая рукоятка с винтовым типом фиксации
- Эргономичный кноб из EVA
Дополнительная продукция
Катушка с передним фрикционом Salmo Diamond Feeder 5 4000FD
Код: 5040FD
- Типоразмер: 4000
- Передаточное число: 5,1:1
- Количество подшипников: 4+1
- Емкость шпули (мм/м): 0,25/150
- Вес (гр): 290
Видео




Свежие комментарии